- A+
说到继电器,可能小伙伴们大概都知道它相当于一个开关,原理其实很简单。但真正用到的时候还是有很多的学问。以下内容讲解的很详细,由硬件笔记本整理并分享给大家,希望对你有用。
本文引用地址:
继电器的选用原则参见表 1,在表中“必须确定”栏中有“”号的项目被确定之后,就可选定一款继电器。如果有进一步的要求,需要进一步考虑“参考”栏中有“”号的相应项目。

表 1
一、对表格详细说明
1、触点
1.1 触点负载
确定继电器所能承受的负载是否满足使用要求时,除了需要确定负载的大小,还要确定实际负载的种类,因为不同的负载有不同的稳态值,见表 2。除非另有说明,一般说明书给出的负载是阻性负载。

显示了有代表性的负载与冲击电流和时间的关系。另外,根据继电器有不同动、静触点的极性也会影响电耐久性。
1.2 触点材料。见表 3。


备注:
(1) 每种继电器必须要考虑说明书中规定的最大电流值。
(2) 一般条件允许时,最好在实际使用中进行试验确认。
(3) 触点的覆金层对于中、小负载性能较好。但对于负载的情况,通常仅用于维护在继电器使用前的触点的初始接触性能。
1.3 电耐久性
除非另有说明,一般说明书显示的电耐久性是在额定负载、一定温度、负载比和动作频率下测得的标称值,因此对于其它负载种类和切换频率,电耐久性会不同。一般对于 2A 以上的负载,同一款继电器的防焊剂型和防尘罩型的电耐久性比塑封型的要长,因此在环境允许的条件下尽量使用防焊剂型和防尘罩型断电器以提高继电器使用寿命。
2、线圈
2.1 电压
为了使继电器工作可靠,要保证工作线路能给继电器线圈供给额定电压。在采用晶体管驱动继电器时,由于晶体管本身固有的压降会导致施加在继电器线圈上的电压值低于驱动电路的各义值,建议在晶体管驱动电路电压为 5V 是选用 4.5V 规格的继电器。有时为了缩短继电器动作时间,可以在短时间内给线圈施加最大允许电压,但要确保继电器不会过热,甚至损坏。对于极化继电器,请确认线圈电压的极性。
2.2 线圈电阻
为了使继电器工作可靠,要保证工作线路能给继电器供给标称的线圈功耗,因此要选择合适的线圈电阻。
3、性能
3.1 封装方式
为了保证继电器的可靠性,不同的封装方式对继电器的后加工有不同的要求,见表 4


备注:
(1)“√”:好;“×”:不好;“△”:注意;
(2)由于塑料具有一定的透气率,所以在有有害气体或要求防爆的情况下请使用密封型继电器。
4、使用环境
4.1气氛在较大湿度、甚至会凝露,以及粉尘多的环境下,推荐使用塑封型继电器,因为较大的湿度易加速继电器结构零件的锈蚀,粉尘则易使继电器触点失效。
在含有机硅的环境下,推荐使用密封型产品,因为有机硅会使继电器加速触点失效。在含 H2S、 SO2、 NO2 等有害气体的环境下,不能使用防焊剂型和防尘罩型,可用塑封型,并在实际使用中进行试验确认。在实际使用中,如果环境气氛比较好,那么推荐使用防尘罩型或防焊剂型继电器,因为防尘罩型或防焊剂型继电器可获得较塑封型更长的电耐久性。
5、外形和安装
5.1 焊接方式选择继电器的引出端均不含铅,推荐焊接温度和时间为:240℃~260℃, 2s-5s。若需要进行回流焊,请确认说明书是否说明该款继电器可以进行回流焊。
5.2引出端形式可根据实际情况选择合适的引出端形状(表 6)和安装方法(表 7)

表 6

表 7
6、其它
6.1 安全认证一般 UL/CUL 认证适用于北美洲, VDE 和 TüV 认证适用于欧洲,但由于这些认证的国际权威性,其它大部分国家也认可这些认证。
二、继电器使用注意事项
1.直流继电器尽量使用矩形波控制,交流继电器尽量使用正弦波控制。
2.为了保持继电器的性能,请注意不要使继电器掉落或受强冲击。掉落后的继电器建议不再使用。
3.继电器尽量使用于常温常湿,灰尘和有害气体少的环境中。有害气体包括含硫类、硅类和氧化氮类等等的气体。
4.对于磁保持继电器,在使用前应先根据需要将置于动作或复归位置。线圈施加电压时要注意极性、脉冲宽度。
5. 对于极化继电器,请注意其线圈电压的极性(+、-)。除此之外还有其它注意事项,以下将大致参照“表 1 继电器的选用原则”的顺序逐一说明。
6.同样电流下,继电器能可靠切换的直流(DC)电压值要比交流(AC)电压值要低得多,因为交流电流存在零点(电流为零的点),产生的电弧容易熄灭。而对直流,产生的电弧只能在触点间间隙达到一定值以后熄灭,使得电弧持续的时间较交流情况变得更长,加剧触点的消耗和材料转移。
7.继电器触点动作与所切换负载的交流电流相位同步时,如果触点总是在负载电压较高时接通或断开,如图 2,会增中触点的粘接或材料转移,从而引起继电器过早失效,请在实际使用中确认是滞用随机相位通断。

8.多组触点与负载的连接在有多组触点时,请把触点尽量排列在电源的同一极,负载在电源的另一极如图 3(a),这样可以防止触点与触点间存在电压差造成触点间短路的可能。避免象图 3(b)那样边接。

9.触点的材料转移现象是指一方的触点材料转移到另一方的触点上,材料转移严重时肉眼可见触点表面的凹凸情况,如图 6,这种凹凸易造成触点粘接。

一般,触点的材料转移是由于大电流的单向流动或者容性负载的冲击电流造成,多发生在直流电路,一般表现为阳性凸、阴性凹的形状。因此适当使用触点保护电路、或使用抗材料转移较好的 AgSnO 触点,可缓解触点的材料转移现象。对于大容量的直流负载(数 A~数十A),必须在实际应用中试验确认。
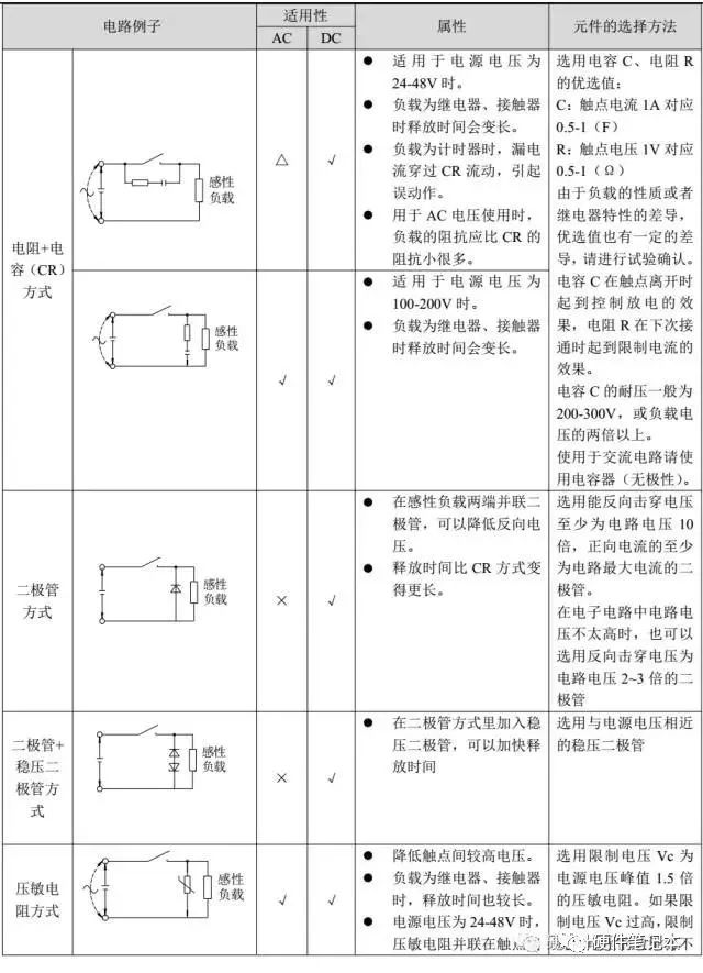
10.一般感性负载比电阻性负载更容易使触点受到损坏,如果使用适当的保护电路可以使感性负载对触点的影响与电阻性负载基本相当,但请注意如果不正确使用,可能会产生反效果。
表 7 是触点保护电路的代表性例子。


注意请避免使用表 8 中所列的触点保护电路。

11.在安装二极管、 C-R、压敏电阻等保护元件时,必须在负载或者触点的旁边安装。如果距离过远,保护的效果将会不理想。推荐在50CM以内安装。
12.AC 型继电器的电源电压最好是正弦波形(sine curve),因为在正弦波形的情况下交流线圈能较好的抑制蜂鸣声,如果波形失真或畸变时,则这种抑制功能不能得到很好的发挥。图 7 显示了几种常见波形的例子。

13.为了稳定工作, DC 型继电器的线圈两端所加电压推荐使用波纹变化率小于±5%的线圈额定电压,否则继电器会工作不稳定。
14.最大允许电压是可以加到继电器线圈上的电压的最大值,而不是允许连续施加的值。
15.在继电器动作过程中,线圈会发热使其温度升高。一般在接通时间为 2 分钟以下的脉冲电压下使用时,线圈温升值与接通(ON)时间、及接通与断开(OFF)的比例有关,各种继电器基本相同,参见表 9。

16.在电路设计时,请注意避免在继电器不工作时有漏电流流过线圈,如图 9 所示。

17.几只继电器构成串并联电路时,请注意避免因旁通电流和漏电流而引起误动作,如图 10

18.一般继电器在动作过程中,存在触点压力变化、触点抖动和接触不稳定等阶段,当在线圈上施加的电压是逐渐增加时,会使这一不稳定阶段的时间变长,影响继电器的使用寿命。为了尽量减少这种情况对继电器的影响,请尽量使用阶跃电压(采用开关电路)给线圈供电。
19.请避免使用继电器自己的常闭触点切断自己的线圈,这样会因继电器动作的不稳定性造成故障,如图 11。

20.为了使磁保持继电器动作或者复归,请在线圈上施加超过说明书规定的动作或复归时间 5 倍以上时间的矩形额定电压,之后进行操作确认。如果脉冲宽度达不到上述要求,请在实际使用中进行试验确认。请避免在电源含有较多浪涌的条件下使用。
21.耐振动冲击性比较理想的安装方法是使触点的动作方向及衔铁的动作方向与振动冲击方向成直角。尤其是在线圈未通电的状态下,常闭触点的耐振耐冲击性较弱,如果安装方向适当将能保证它的性能。如图 12。

22.请不要使用超声波清洗方式清洗继电器,因为超声波会导致触点粘接、线圈断线等故障。
23.安装请不要弯曲继电器的端子(如图 13),这样可能损害继电器的初始性能。请按照产品说明书上的安装孔位图正确加工印制板。请注意保持继电器的平稳。请注意安装用钩子的固定力太大的话可能会引起继电器内部发生故障。

24.长管状包装在使用长管关包装的继电器时,请不要摇摆包装管,使继电器受到冲击,这样可能导致继电器发生故障。如果该包装使用了止动塞,请将止动塞压入贴上继电器,避免继电器在包装管里晃荡。如图 14




