- A+
说起电子元器件大家应该都不会陌生,那电子元器件的可靠性呢?电子元器件的可靠性是影响产品可靠性的一个重要因素。产品可靠性直接影响到工程师的睡眠、心情、工作时长,一个不小心就要熬夜调板子,所以要想保证产品的可靠性就必须要保证电子元器件的可靠性。
本文引用地址:
电子元器件可靠性包括两部分:1、固有可靠性,2、使用可靠性
电子元器件的固有可靠性
固有可靠性指的是什么?指的是在生产过程中已经确立的可靠性,它是产品内在的可靠性,是生产厂家模拟实际工作条件的标准环境下,对产品进行检查并给予保证的可靠性。固有可靠性由电子元器件的生产单位电子元器件设计 、制造工艺、原材料的选用过程的质量控制及检验精度所决定。例如一个电阻的精度是5%,另一个电阻的精度是1%,精度1%和5%就是电阻的固有可靠性。
下面两图所示的贴片电容的技术参数、封装参数、外形参数、物理参数等都是属于固有可靠性。


工程师在电路设计中需要对电子元器件选型,这其中必不可少的一部分就是电子元器件的可靠性,而电子元器件固有可靠性就是其中最容易忽略的。
工业领域、医疗领域、军工领域、消费电子等领域对于电子元器件的固有可靠性要求是不一样的。例如:军工领域对电阻的精度、组值、温漂等参数要求非常严格,消费电子类领域对电阻的需要量大,且价格稍微便宜一点。
关于电子元器件的固有可靠性,工程师需要结合产品的功能、要求、领域、成本、品牌等要求综合去考虑电子元器件的材料、封装、外形尺寸等参数,关于电子元器件选型问题,大家可以去看我的上一篇文章。
下图是不同封装优缺点的一个案例,关于封装涉及到的太多,之后会进行详细的讲解。

不同封装的使用器件以及优缺点
电子元器件使用可靠性
使用可靠性与电子元器件的使用条件密切相关,由电子元器件的使用方对元器件的选择、采购、使用设计、静电防护和筛选等过程的质量控制所决定,使用不好就容易使电子元器件的可靠性大大降低,例如一个电阻的温度范围在-20℃-120℃,你将它在使用在温度150℃的条件下,这个就是没有考虑到使用可靠性。
电子元器件使用可靠性主要包含以下几个部分:
1、 在电子元器件的运输、贮存、保管过程中,应该有良好的包装,防静电等措施以保证电子元器件不会受到环境气侯或不当应力的作用而遭到破坏。
2、在PCB板上安装电子元器件时,必须采用正确的安装方式。如果采用方法不当或者操作不慎,容易给器件带来机械损伤或者热损伤,从而对电子元器件的可靠性造成危害,这就涉及到引线成形与切断、安装 、焊接,这三个步骤都必须采用正确的方式。

3、 电子元器件在不同环境下的可靠性,需要考虑浪涌、噪声、辐射、静电、高温等环境因素的影响。
4、 电子元器件在电路板中可靠性布局,需要考虑电磁兼容、接地、热设计等因素。
怎么提高电子元器件使用可靠性
1、电路简化应用原则
在满足功能、性能指标的情况下,尽可能简化电路,这样可以降低失效率,提高电子产品的可靠性。
例如可以选择集成度高的元器件,这样可以减少电子元器件之间的连线、接点、封装数目等。在减少元器件数量的同时,尽量压缩其品种、规格等,这样有利于控制质量、减少备件和便于维修,还可以精简某些冗长的电路设计等。
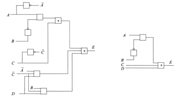
如下图所示,简化前后的逻辑电路图对比。

2、降额应用原则
电子元器件的失效率与它的工作应力相关,降额使用可以使电子元器件承受的应力低于正常水平,这样的话可以降低工作失效率,可以延长电子元器件的使用寿命,通常来说降额的主要参数有结温、电压和电流,当然这都是要在满足电子产品性能和规格要求的前提下,并且降额也不可以过度。
下图是电子元器件降额等级及适用情况。

降额等级及适用情况
电子元器件的降额系数一般可在0.5~0.9之间,按照要求的降额等级来选取。有的元件某些参数的降额系数甚至要取0.4以下甚至更小,继电器就是一个例子。
例如额定值为1W的电阻,最低降额时要求使用功率小于0.7W。
下图是二极管反向电压、电流、功率降额准则,更多的电子元器件降额准则大家可以去参考《GJB/Z 35-93 元器件降额准则》。

二极管降额准则
3、容差设计原则
在电路设计时,应该适当地放宽电子元器件参数允许变化范围,包括温度漂移和时间漂移等参数,这样电子元器件的参数在一定范围内变化的时候,电子产品依旧能正常的工作。
4、冗余应用原则
在设计电路时,除了通常的工作单元之外,另外增加一个后备单元,这样即使有一个单元失效,但整个电子产品仍然能正常工作。
5、灵敏度应用原则
定量分析并比较电路特性对不同元器件变化的灵敏程度。例如同一个输出电压对两个不同的电阻的元件灵敏度绝对值不相同,但这两个电阻的相对灵敏度的绝对值是一样的,因此需要考虑到电路特性对不同电子元器件变化的灵敏程度。
6、最坏情况应用原则
按电路特性向同一方向变化的要求,确定每个元器件的(增、减)变化方向,然后让这些元器件同时变化并进行电路分析,检查在这种最坏情况下电路特性的变化,如果最坏情况分析结果都能满足要求,那么按这种设计生产的电子产品对各种条件变化的适应性都很强,使用可靠性也会很好。
关于电子元器件的可靠性,怎么样提高电子元器件的使用可靠性?大家有没有不同的看法?欢迎来评论区留言,大家一起讨论。



