- A+
近日,晶圆代工巨头台积电和半导体芯片设计龙头厂商高通各自公布了多项半导体技术专利,其中都包括一项与存储领域相关的专利。
本文引用地址:
台积电:双端口静态随机存取存储器单元电路
静态随机存取存储器(SRAM)通常用于集成电路中。SRAM单元具有保持数据而不需要刷新的有利特征。随着对集成电路速度的要求越来越高,SRAM单元的读取速度和写入速度也变得越来越重要。然而,在已经非常小的SRAM单元的规模不断缩小的情况下,这样的要求很难实现。例如,形成SRAM单元的字线和位线的金属线的薄层电阻变得越来越高,因此SRAM单元中的线路和位线上的RC延迟增加,阻止了读取速度和写入速度的提高。
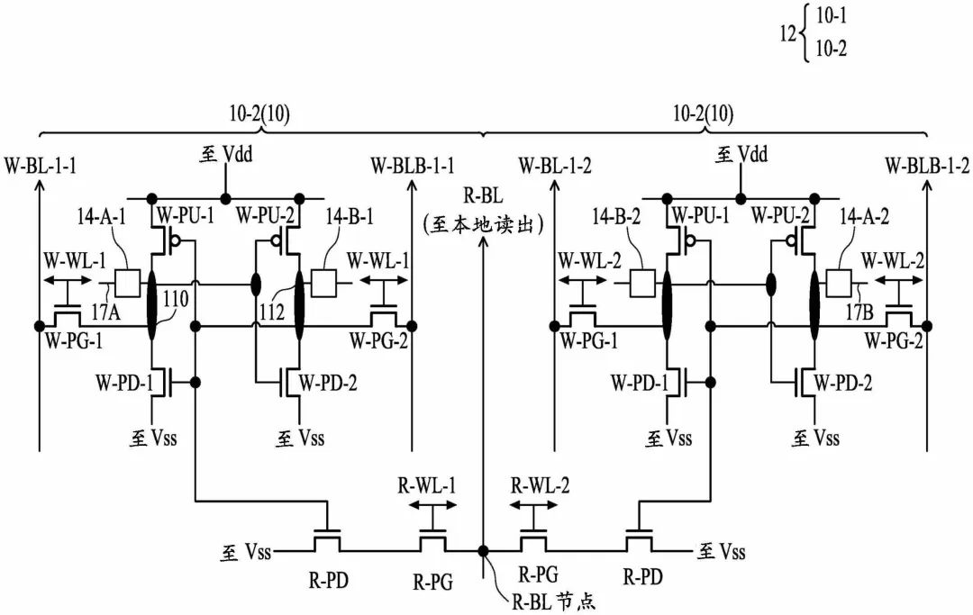
国家知识产权局信息显示,台积电于8月20日申请公开了一项名为“双端口静态随机存取存储器单元电路”的专利,申请公布号为CN118522327A,申请时间为2024年4月22日。

专利摘要显示,本发明的实施例提供了一种双端口静态随机存取存储器(SRAM)电路,包括Vdd节点和具有相同结构的第一SRAM单元和第二SRAM单元的双端口静态随机存取存储器(SRAM)单元对。
第一SRAM单元是十晶体管SRAM单元,包括第一上拉晶体管和第二上拉晶体管、与第一上拉晶体和所述第二上拉晶体形成锁存器的第一下拉晶体和第二下拉晶体、连接至锁存器的第一传输门晶体和第二传输门晶体以及p型隔离晶体管,p型隔离晶体管包括连接至第一上拉晶体管的漏极区的第源极/漏极区和连接至Vdd节点的栅极。该电路还包括与第二SRAM单元共用的读取位线,以及连接至第一传输门晶体管和第二传输门晶体管的C栅极的写入位线对。
高通:具有自适应刷新的存储器系统
现代社会中比比皆是的计算设备,尤其是移动通信设备已变得越来越常见。这些移动通信设备的普及部分是由于现在此类设备上启用的许多功能。此类设备中增加的处理能力意味着移动通信设备已从纯通信工具演进到复杂的移动娱乐中心,从而实现增强的用户体验。对此类功能性的访问通常取决于使存储器系统与控制系统互操作以存储指令和数据。
存储器的一种流行格式是低功率双倍数据速率(LPDDR)同步动态随机存取存储器(SDRAM)标准。JEDEC是LPDDR的标准制定主体并且已经发布了该标准的各种版本,其中在2021年6月更新了LPDDR5。此类标准的存在提供了改进和创新的机会,并且此类创新可用于现存标准或预期标准或其他具体实施中。

8月20日,高通公开了一项名为“具有自适应刷新的存储器系统“,申请公布号为CN118525334A,申请日期为2023年1月13日。
国家知识产权局信息显示,本专利公开了一种具有自适应刷新命令的存储器系统。在一个方面,在通道内具有多个存储体的存储器系统或设备可以从应用处理器接收每存储体命令,该每存储体命令指示待刷新的第一存储体并且提供关于待刷新的第二存储体的附加信息。该应用处理器基于哪些存储体具有重业务与轻业务或没有业务来选择存储体进行刷新。
在另一示例性方面,可以发送四存储体刷新命令,该四存储体刷新命令指示待刷新的第一存储体并且提供关于待刷新的第二存储体至第四存储体的附加信息。在另一示例性方面,可以发送八存储体刷新命令,该八存储体刷新命令指示待刷新的第一存储体并且提供关于待刷新的第二存储体至第八存储体的附加信息。这三个新的刷新命令允许刷新相邻或间隔的存储体。
两大半导体巨头有新“身份”
8月22日,世界集成电路协会公布的“2023年全球半导体企业综合竞争力百强白皮书”显示,台积电和高通均进入前十,分别位列第三和第七。
其中,台积电是全球最大的晶圆代工龙头厂商。根据市场研究机构TrendForce集邦咨询此前公布的2024年第一季全球前十大晶圆代工营收排名显示,受智能手机、NB等消费性备货淡季影响,当季台积电营收季减约4.1%,至188.5亿美元。不过由于其他竞业同样面临消费淡季挑战,因此市占维持在61.7%。

集邦咨询指出,随着主要客户Apple进入备货周期,及AI服务器相关HPC芯片需求持续稳健,有机会带动台积电第二季营收呈个位数季成长率走势。



